Home Categories Send inquiry

Environmental Monitoring Sensor Box HD-S208

Product specification

HD-S208

V2.0 20200314

I Features Introduction

1.1  Overview

HD-S208 is a grayscale technology sensor set in Shenzhen. The supporting LED control system is suitable for public places such as construction sites, factories and mines, traffic intersections, squares, and large enterprises to monitor the emission of suspended particulate matter from air pollution. Simultaneous monitoring of dust, noise, temperature, humidity, wind speed, wind direction and other data.

1.2 Component Parameter

Component Sensor type
Wind direction sensor Wind direction
Wind velocity sensor  Wind velocity
Multifunctional louver box Temperature and humidity
Light sensor
PM2.5/PM10
Noise
Remote receiver Infrared remote control
Main control box  /

 

II Detailed description of the component

2.1 Wind velocity

2.1.1 Product description

RS-FSJT-N01 wind speed transmitter is small and light in size, easy to carry and assemble. The three-cup design concept can effectively obtain wind speed information. The shell is made of polycarbonate composite material, which has good anti-corrosion and anti-corrosion characteristics. The long-term use of the transmitter is free of rust and the internal smooth bearing system ensures the accuracy of information collection. It is widely used in wind speed measurement in greenhouses, environmental protection, weather stations, ships, terminals, and aquaculture.

2.1.2 Function features

◾ Range:0-60m/s,Resolution 0.1m/s

◾ Anti-electromagnetic interference treatment

◾ Bottom outlet method, completely eliminate the aging problem of aviation plug rubber mat, still waterproof after long-term use

◾ Using high-performance imported bearings, the rotation resistance is small, and the measurement is accurate

◾ Polycarbonate shell, high mechanical strength, high hardness, corrosion resistance, no rust, long-term use outdoors

◾ The structure and weight of the equipment have been carefully designed and distributed, the moment of inertia is small, and the response is sensitive.

◾ Standard ModBus-RTU communication protocol for easy access

2.1.3 Main Specifications

DC power supply (default) 5V DC
Power consumption ≤0.3W
Transmitter circuit operating temperature -20℃~+60℃,0%RH~80%RH
Resolution 0.1m/s
Measuring range 0~60m/s
Dynamic response time ≤0.5s
Starting wind speed ≤0.2m/s

2.1.4 Equipment List

◾ Transmitter equipment  1Set

◾ Mounting screws 4

◾ Certificate, warranty card, calibration certificate, etc.

◾ Aviation head wiring 3 meters

2.1.5 Installation method

Flange mounting, threaded flange connection makes the lower tube of the wind speed sensor firmly fixed on the flange, the chassis is Ø65mm, and four mounting holes of Ø6mm are opened on the circumference of Ø47.1mm, which are tightly fixed by bolts. On the bracket, the whole set of instruments is kept at an optimal level, the accuracy of the wind speed data is ensured, the flange connection is convenient to use, and the pressure can be withstood.

2.2 Wind direction

 

2.2.1 Product description

RS-FXJT-N01-360 wind direction transmitter is small and light in size, easy to carry and assemble. The new design concept can effectively obtain wind direction information. The shell is made of polycarbonate composite material, which has good anti-corrosion and anti-erosion characteristics. It can ensure the long-term use of the transmitter without deformation, and at the same time with the internal smooth bearing system, ensuring the accuracy of information collection. It is widely used in wind direction measurement in greenhouses, environmental protection, weather stations, ships, terminals, and aquaculture.

2.2.2 Function features

◾ Range:0~359.9 degree

◾ Anti-electromagnetic interference treatment

◾ High-performance imported bearings, low rotational resistance and accurate measurement

◾ Polycarbonate shell, high mechanical strength, high hardness, corrosion resistance, no rust, long-term use outdoors

◾ The structure and weight of the equipment have been carefully designed and distributed, the moment of inertia is small, and the response is sensitive.

◾ Standard ModBus-RTU communication protocol, easy to access

2.2.3 Main Specifications

DC power supply (default) 5V DC
Power consumption ≤0.3W
Transmitter circuit operating temperature -20℃~+60℃,0%RH~80%RH
Measuring range 0-359.9°
Dynamic response in time ≤0.5s

2.2.4 Equipment List

◾ Transmitter equipment  1Set

◾ Mounting screw transmitter equipment  4

◾ Certificate, warranty card, calibration certificate, etc.

◾ Air head wiring 3 meters

 

2.2.5 Installation method

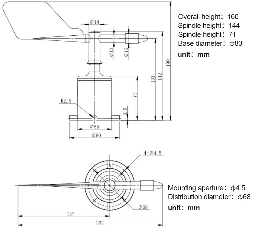
Flange mounting, threaded flange connection makes the lower tube of the wind direction sensor firmly fixed on the flange, the chassis is Ø80mm, and four mounting holes of Ø4.5mm are opened on the circumference of Ø68mm, which are tightly fixed by bolts. On the bracket, the whole set of instruments is kept at an optimal level to ensure the accuracy of the wind direction data. The flange connection is convenient to use and can withstand large pressure.

2.2.6 Dimensions

 

2.3 Multifunctional louver box

2.3.1 Product description

The integrated shutter box can be widely used for environmental detection, integrating noise collection, PM2.5 and PM10, temperature and humidity, atmospheric pressure and illumination. It is installed in the louver box. The equipment adopts standard DBUS-RTU communication protocol and RS485 signal output. The communication distance can be up to 2000 meters (measured). The transmitter is widely used in various occasions such as measuring ambient temperature and humidity, noise, air quality, atmospheric pressure and illumination, etc. It is safe and reliable, beautiful in appearance, convenient to install and durable.

2.3.2 Function features

◾ Long service life, high sensitivity probe, stable signal and high precision. The key components are imported and stable, and have the characteristics of wide measuring range, good linearity, good waterproof performance, convenient use, easy installation and long transmission distance.

◾ Noise acquisition, accurate measurement, range up to 30dB~120dB.

◾ PM2.5 and PM10 are collected at the same time, the range is 0-6000ug/m3, the resolution is 1ug/m3, the unique dual-frequency data acquisition and automatic calibration technology, the consistency can reach ±10%

◾ Measuring the ambient temperature and humidity, the measuring unit is imported from Switzerland, the measurement is accurate, the range is -40~120 degrees.

◾ Wide range of 0-120Kpa air pressure range, can be applied to a variety of altitudes.

◾ The light collection module uses a high-sensitivity photosensitive probe with a light intensity range of 0 to 200,000 Lux.

◾ Using a dedicated 485 circuit, the communication is stable, and the power supply is 10~30V wide.

2.3.3 Main Specifications

DC power supply (default) 5VDC
Maximum power consumption RS485 Output 0.4W
Precision humidity ±3%RH(5%RH~95%RH,25℃)
temperature ±0.5℃(25℃)
Light intensity ±7%(25℃)
Atmospheric pressure ±0.15Kpa@25℃ 75Kpa
noise ±3db
PM10 PM2.5 ±1ug/m3

Range

humidity 0%RH~99%RH
temperature -40℃~+120℃
Light intensity 0~20万Lux
Atmospheric pressure 0-120Kpa
noise 30dB~120dB
PM10 PM2.5 0-6000ug/m3
Long-term stability humidity ≤0.1℃/y
temperature ≤1%/y
Light intensity ≤5%/y
Atmospheric pressure -0.1Kpa/y
noise ≤3db/y
PM10 PM2.5 ≤1ug/m3/y
Response time  Temperature and humidity ≤1s
Light intensity ≤0.1s
Atmospheric pressure ≤1s
 noise ≤1s
PM10 PM2.5 ≤90S
output signal RS485 output RS485(Standard Modbus communication protocol)

 

2.3.4 Equipment List

◾ Transmitter equipment 1

◾ Installation screws 4

◾ Certificate, warranty card, calibration certificate, etc.

◾ Aviation head wiring 3 meters

2.3.5 Installation method

2.3.6 Housing size

2.4 Infrared remote control

2.4.1 Product description

The remote control sensor is used to switch programs, pause programs, small size, low power consumption, simple operation and other characteristics. The remote receiver and remote control are used together.

2.4.2 Main Specifications

DC powered (default)

5V DC
Power consumption ≤0.1W
Remote control effective distance Within 10m, at the same time affected by the environment
Dynamic response time ≤0.5s

2.4.3 Equipment List

n Infrared remote control receiver

n Remote control

2.4.4 Installation method

The remote control receiving head is attached to an unobstructed, remotely controllable area.

2.4.5 Shell Size

2.5 External temperature and humidity 

 (Choose three from wind speed, wind direction, and shutter box)

2.5.1 Product description

The sensor can be widely used in environmental detection, integrates temperature and humidity, and has small volume, low power consumption, simple and stable.

2.5.2 Main Specifications

DC powered (default) 5V DC
Measuring range temperature :-40℃~85℃

humidity:0~100%rh

Measurement accuracy temperature:±0.5℃,Resolution  0.1℃

humidity:±5%rh,Resolution  0.1rh

Ingress protection 44
Output Interface RS485
Protocol MODBUS RTU
mailing address 1-247
Baud rate 1200bit/s,2400bit/s,4800 bit/s,9600 bit/s,19200 bit/s
Average power consumption <0.1W

2.5.3 Equipment List

◾ Aviation head wiring 1.5 meters

2.5.4 Installation Method

Indoor wall installation, ceiling installation.

2.5.5 Shell Size

2.6 Main control box

2.6.1 Product description

The sensor main control box is powered by DC5V, the aluminum profile is oxidized and painted, and the air head is foolproof. Each interface corresponds to an LED indicator, which indicates the connection status of the corresponding interface component.

2.6.2 Interface definition

Aviation interface Component
Temp Temp
Sensor 1/2/3 Wind direction sensor
 Wind speed sensor
Multifunctional louver box
IN LED control card

2.6.3 Equipment List

◾ equipment 1

◾ Air head wiring 3 meters (connecting LED control card and power supply)

2.6.4 Installation method

Unit:  mm

2.6.5 Housing size

III Assembly rendering


Environmental Monitoring Sensor Box HD-S208 Related Video: